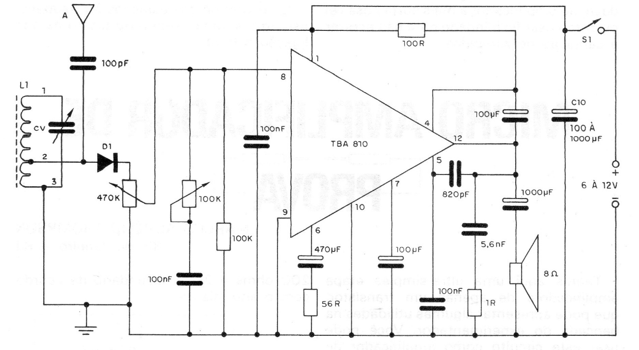
The integrated circuit used in this 1982 project is not very common today. It can be adapted to use more modern amplifiers, taking advantage of the tuning and tone control circuit. The coil consists of 15 + 75 turns of enameled AEG 26 to 30 wire on a ferrite rod. The supply must be made from a source, given the high consumption of the circuit.




