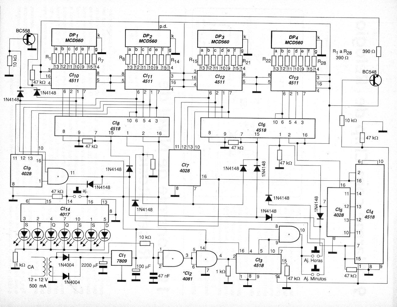
This traditional clock circuit with common CMOS components with discrete logic functions was found in a 2003 documentation. The clock is obtained from the power grid itself, which guarantees excellent operating accuracy. The circuit uses common cathode displays for hours and minutes.




