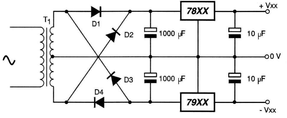
This power supply can supply symmetrical voltages of 5, 6, 9 and 12 V according to the xx of the regulating integrated circuits. These integrated circuits must be mounted on heat sinks and the transformer has a secondary voltage slightly higher than that desired at the output.




