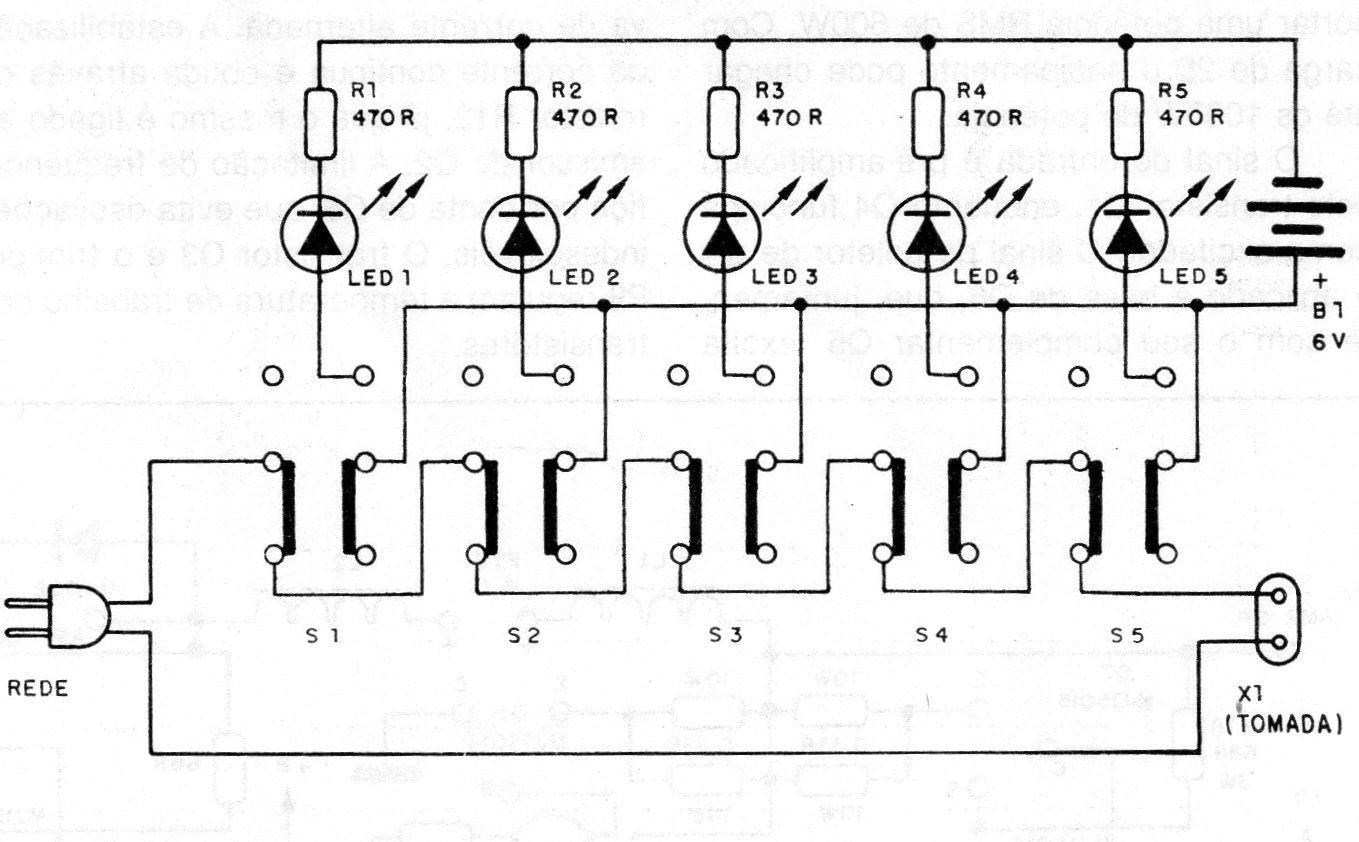
We found this simple password logic circuit using LEDs and keys, with no active component, in a 1989 publication. The load is activated only when the keys are placed in the positions that correspond to the password.
We found this simple password logic circuit using LEDs and keys, with no active component, in a 1989 publication. The load is activated only when the keys are placed in the positions that correspond to the password.