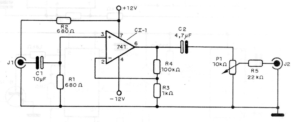
This circuit is from 1995 documentation. In the original, the source is symmetrical at 12 V, but the circuit also works with two 6 or 9 V batteries, as consumption is very low. R4 determines the gain and can be changed. The circuit requires shielded cables for the signals.




