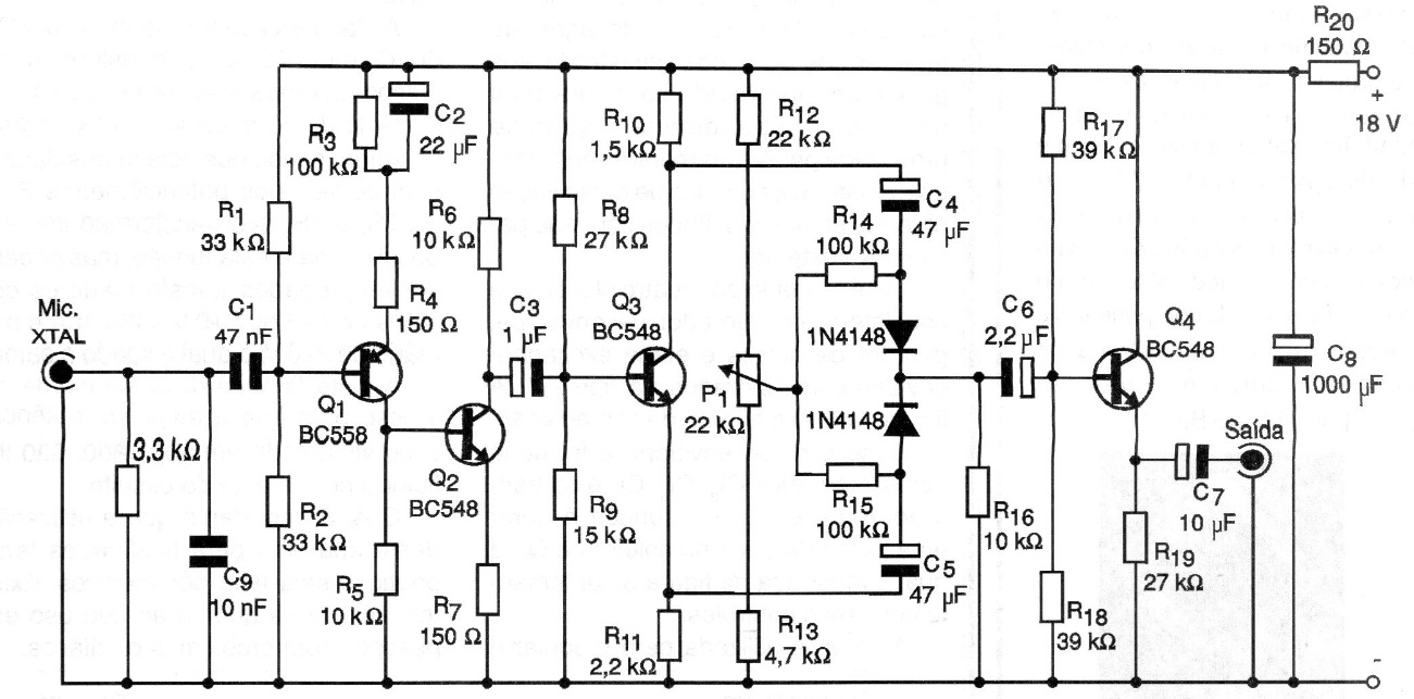
This distortion circuit or robot voice was found in a documentation from the year 2000. The circuit operates with a high impedance crystal or piezoelectric microphone and the adjustment of the operating point is done in P1.
This distortion circuit or robot voice was found in a documentation from the year 2000. The circuit operates with a high impedance crystal or piezoelectric microphone and the adjustment of the operating point is done in P1.