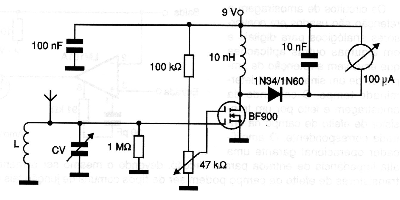
The L coil of this field strength meter depends on the frequency range in which it must operate. The circuit uses a 100 uA microammeter as an indicator and is powered by a 9 V battery. The double port transistor is not very easy to obtain today.
The L coil of this field strength meter depends on the frequency range in which it must operate. The circuit uses a 100 uA microammeter as an indicator and is powered by a 9 V battery. The double port transistor is not very easy to obtain today.