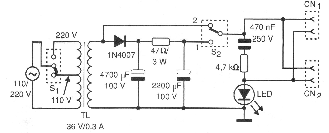
With this simple circuit it is possible to simulate a telephone line for carrying out repairs on telephone sets. The transformer must be 36 V and the diode can also be 1N4004.
This circuit was found in a 1981 documentation. The circuit produces intermittent beeps serving two...
This circuit for the ionization chamber was found in an Electronics Now from the 90's. The circuit...
This circuit is based on a double operational amplifier of type NE5512 and is suggested by Philips...