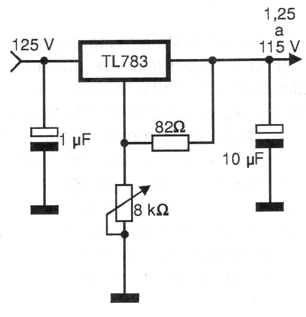
This circuit has already appeared on this site and in our articles. This version is from 1999. The integrated circuit can provide outputs from 1.5 to 115 V with a maximum power of 20 W. It must be equipped with a heat sink and the maximum difference between the input and output voltage is 125 V The maximum current is 700 mA.




