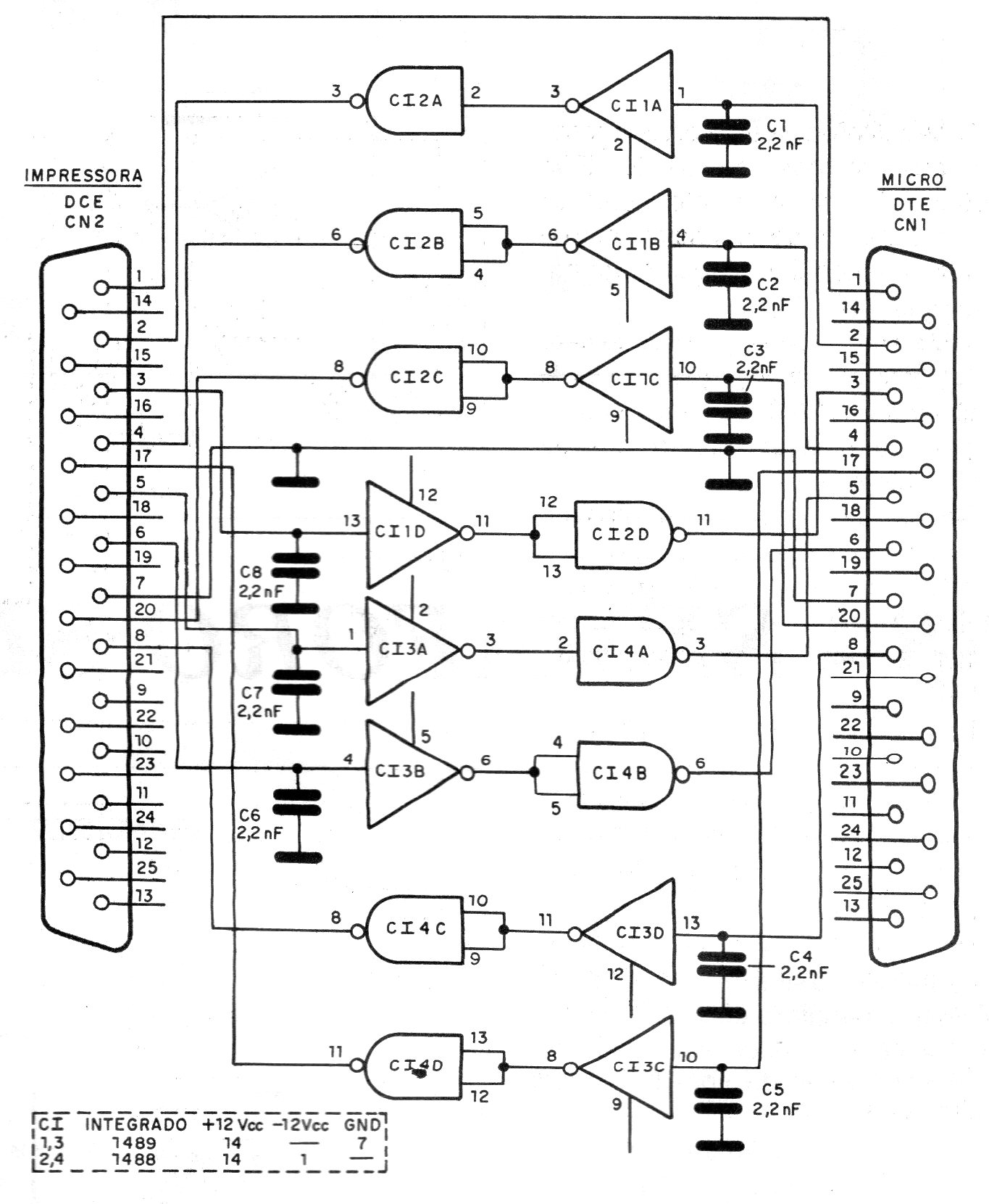
If you are on an old PC that you use for experiments, control or other applications, this circuit is from 1995 documentation. With it you can make the serial connection of peripherals to a microcomputer. The circuit uses components that can still be found easily. The circuits must be powered with a symmetrical 12 V power supply on the appropriate pins.




