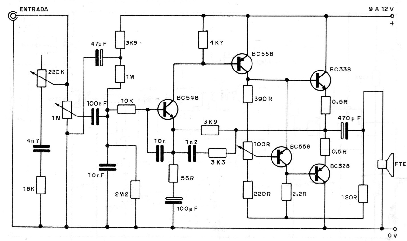
This transistor amplifier with complementary symmetry configuration can provide approximately 1 W of power and is ideal for use on the bench or as a stage for small receivers and intercoms. The circuit can be powered by voltages of 9 to 12 V and the speaker used is 4 or 8 ohms.




