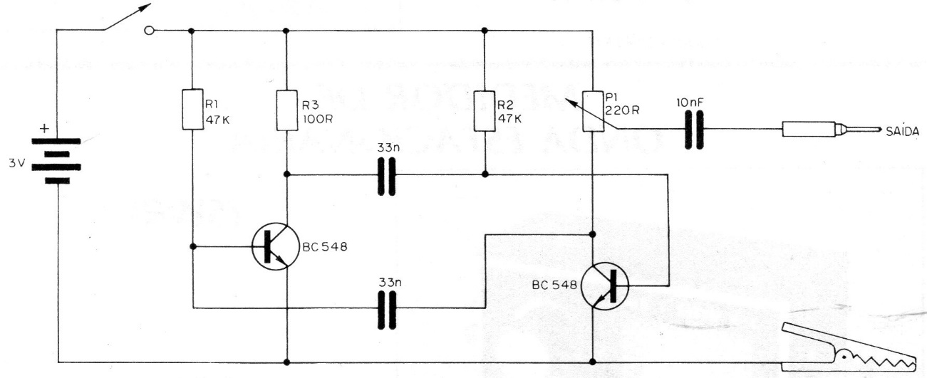
This astable multivibrator follows the traditional configuration for use as a signal injector, found in several other articles in this section and on this website. The circuit can be powered by two or four batteries and the fundamental frequency is determined by the capacitors.




