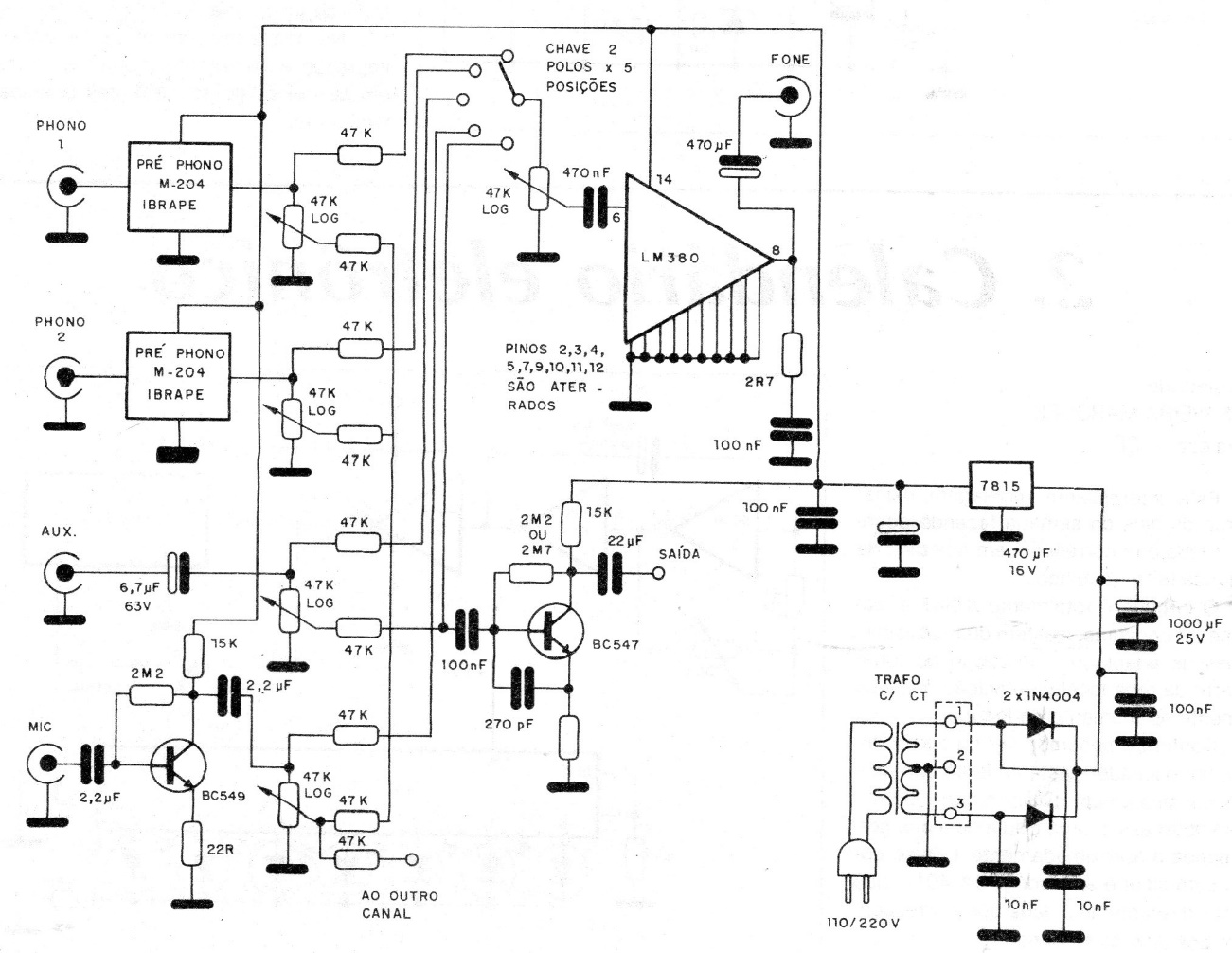
This mixer or 4-channel mixer was found in a 1986 documentation. It uses two Ibrape stages sold in kit at the time and whose scheme can be found in an article on this website. These stages were excellent quality equalizers and preamps. The audio amplifier used as a monitor is not very common today, and a more modern equivalent such as the LM386 or TDA7052 can be used.




