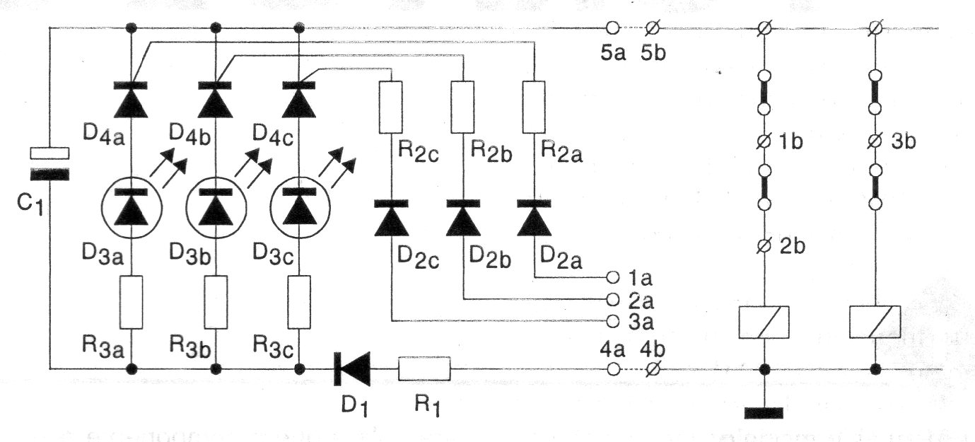
This circuit was developed to find intermittent defects in an electrical control. In the event of a defect, the circuit fires indicating the moment of occurrence.
This circuit was found in a 1981 documentation. The circuit produces intermittent beeps serving two...
This circuit for the ionization chamber was found in an Electronics Now from the 90's. The circuit...
This circuit is based on a double operational amplifier of type NE5512 and is suggested by Philips...