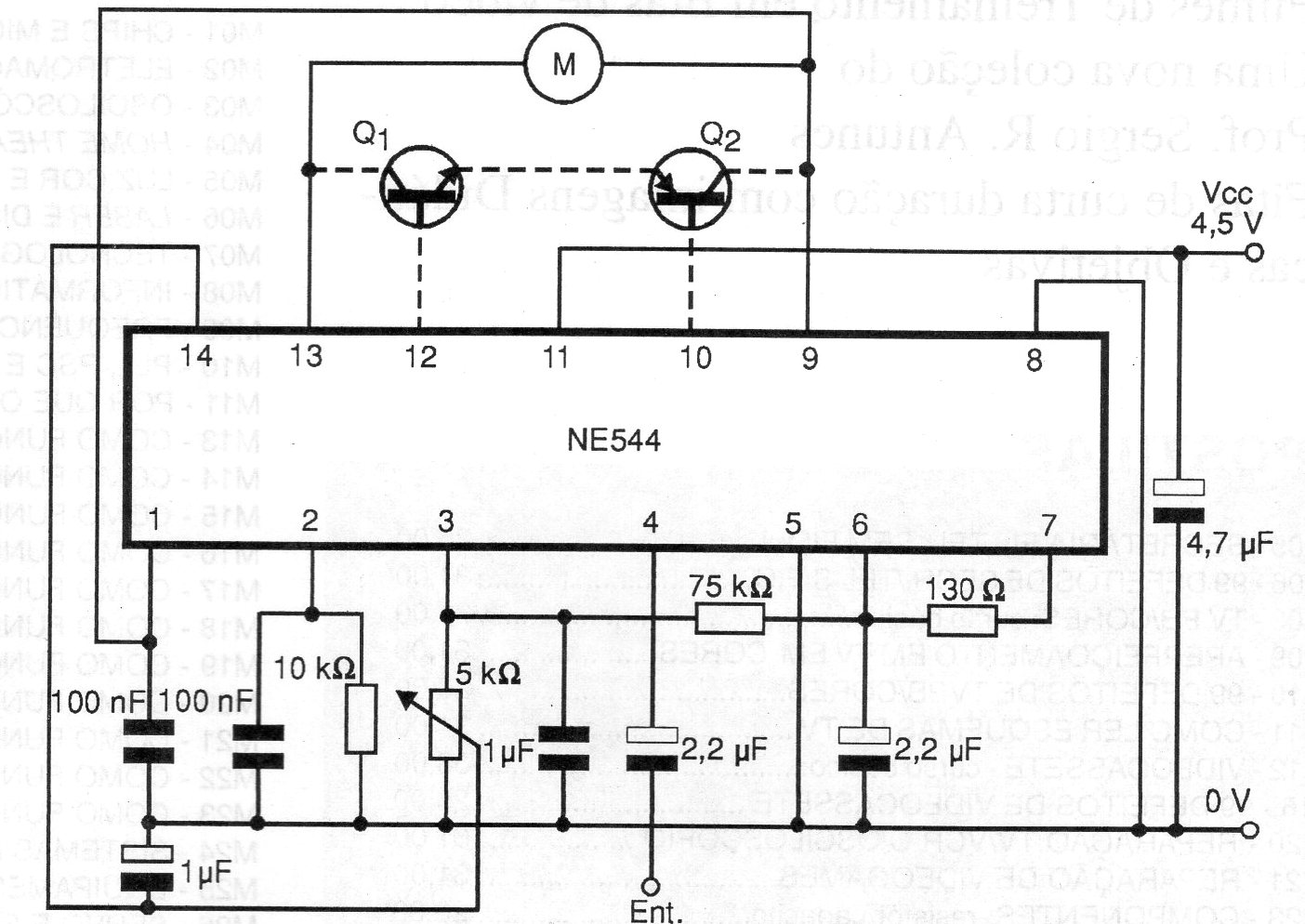
This circuit is from 1999 documentation. The integrated circuit used is not very common today. Both transistors are used if the motor current is greater than 500 mA.
This circuit was found in a 1981 documentation. The circuit produces intermittent beeps serving two...
This circuit for the ionization chamber was found in an Electronics Now from the 90's. The circuit...
This circuit is based on a double operational amplifier of type NE5512 and is suggested by Philips...