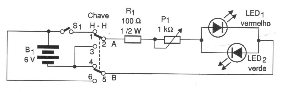
This circuit can be used to show the direction of current flow in semiconductors, such as LEDs. With the current in one direction, one LED lights up and inverting the direction through the switch, the other LED lights up.
This circuit can be used to show the direction of current flow in semiconductors, such as LEDs. With the current in one direction, one LED lights up and inverting the direction through the switch, the other LED lights up.