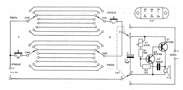
We found this project in an old publication from 1983. The circuit uses 4 switches of 1 pole x 8 or more positions and an oscillator with two transistors, as shown in the figure. The author placed an audible signal with an oscillator. S1 and S82 are pressure switches of the normally open type, and CH2, CH3, CH4 and CH5 are switches with 1 pole x 8 or more positions, according to the “difficulty” desired for the game. The circuit can be supplied with voltages between 3 and 9 V and the speaker is 8 ohms, small. The rules of the game are as follows: If Player A is the first to play, Player B must use the fleet key to hide his ship, looking for any position without the other seeing. Then player A, using his attack key, must look for any position and then press S2. If he gets it right, that is, there is a coincidence of positions, the oscillator will go into action. the oscillator will remain silent and the player will lose one point, then play B, when then A hides and B tries to hit the same way. The game will end after a certain number of hits, agreed by the players. For Q1 it can be used any general purpose PNP transistor and for Q2 any general-purpose NPNl.




