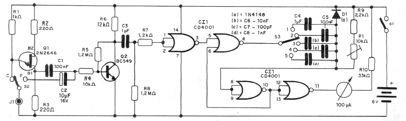
We found this circuit in a 1994 publication. It uses common components and can measure frequencies from 0 to 1 MHz and capacitances from 1 nF to 1 uF all in 5 bands. The circuit uses a common microammeter or the corresponding current range of a common multimeter. The circuit is powered by 4 batteries and the accuracy depends on the capacitors used as reference and the setting of P1. The 60 Hz network frequency can be used for calibration.




