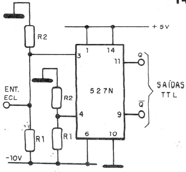
Although ECL logic is rare (no longer used), this circuit from a 1992 documentation shows how to interface with TTL logic. The integrated circuit used is also uncommon nowadays and the supply must be made with a voltage of 5 V.

Although ECL logic is rare (no longer used), this circuit from a 1992 documentation shows how to interface with TTL logic. The integrated circuit used is also uncommon nowadays and the supply must be made with a voltage of 5 V.
