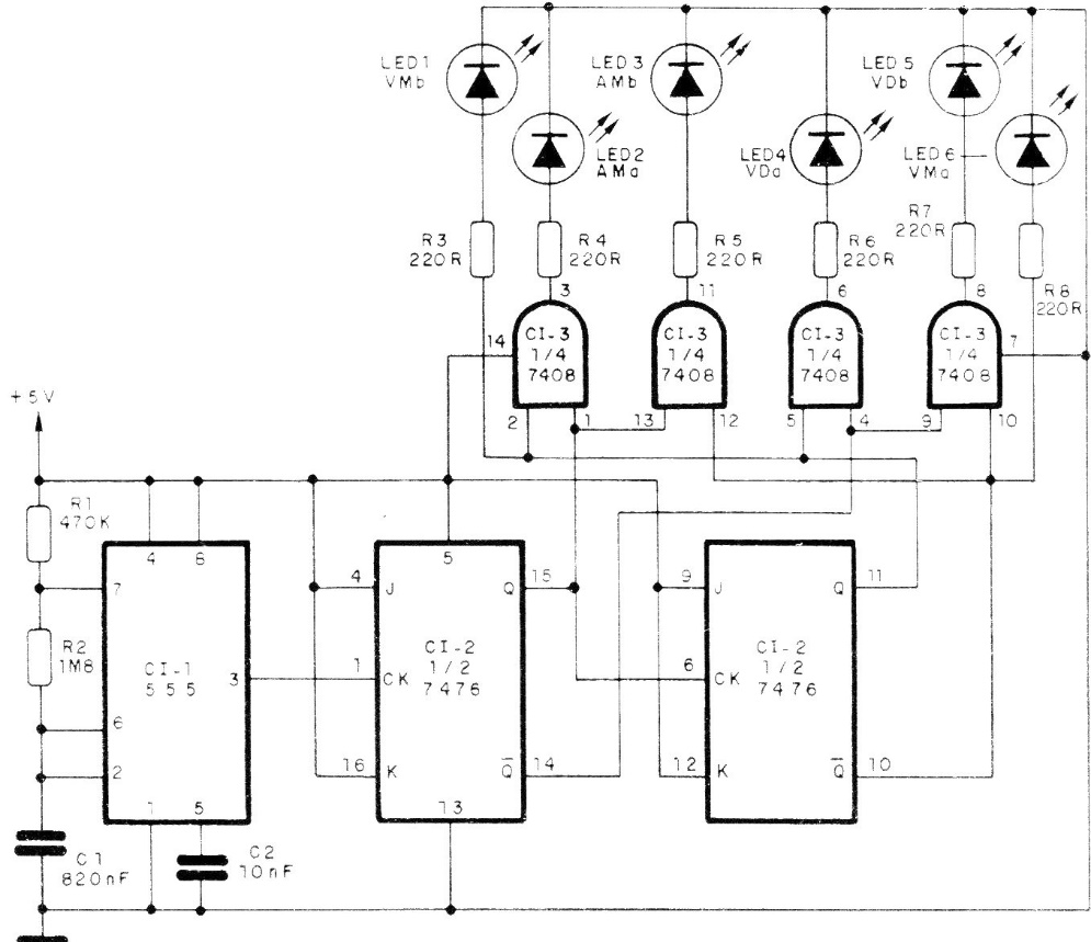
This important TTL circuit for teaching purposes was found in a 1988 documentation. The circuit must be powered by 5 V and the phase change can be changed by changing the resistors and capacitors next to the 555. The circuit supplies two sets of 3 yellow LEDs, green and red, but power steps can be provided for lamp control.




