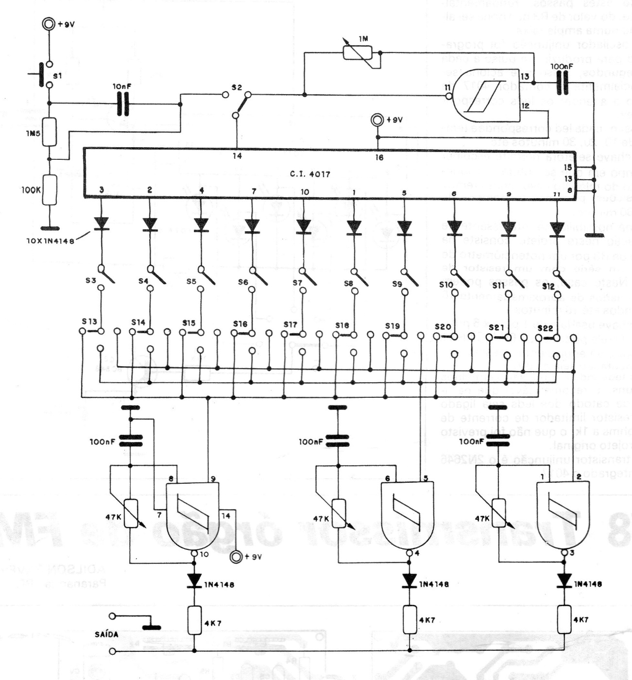
We found this circuit in a 1987 documentation, but it can still be easily assembled. Its output must be applied to a good amplifier and the sounds are programmed by the keys. The supply can be done with voltages from 6 to 12 V and changes in the effects can be obtained by changing the capacitors.




