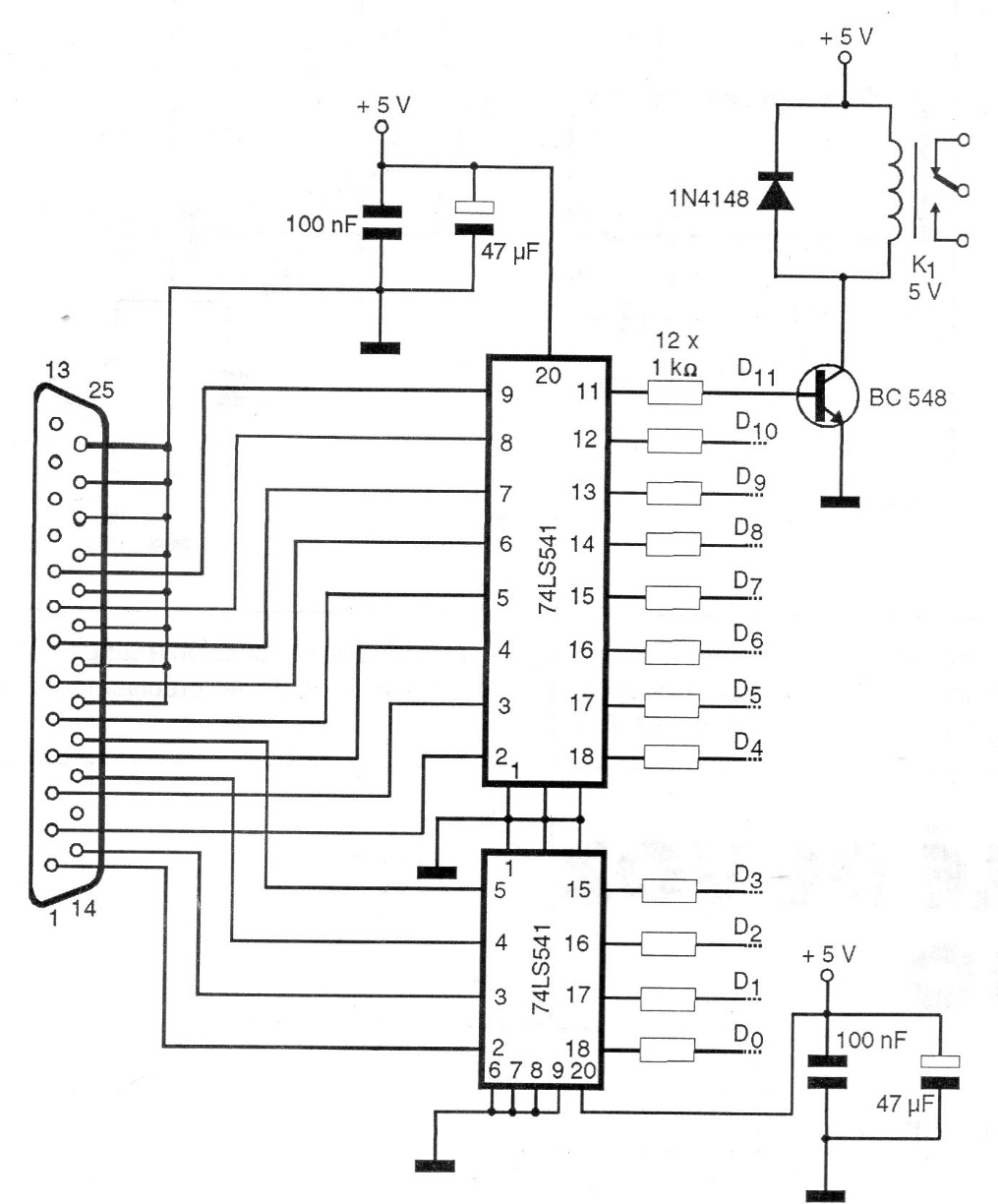
If you have a disused old computer, the type that still has a parallel port, you can use it in your automation and control projects with this 1997 interface. The circuit uses TTL integrated and the control program must be configured for LPT2. The connector is DB25 Centronics.




