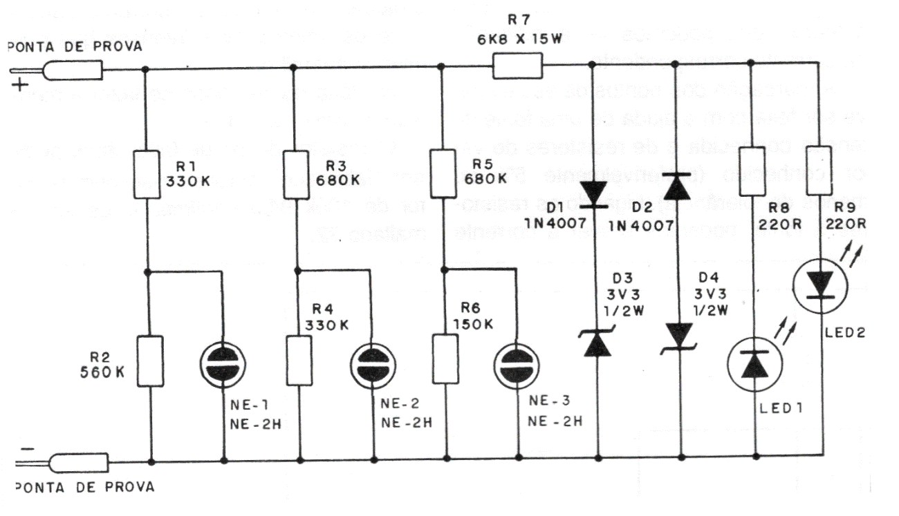
We found this circuit in a 1987 documentation. It is a multi-tester with neon lamp and LEDs operating with both low continuous voltage and high alternating voltage.
We found this circuit in a 1977 Radio Shack documentation. The circuit should be powered, for...
Found in American documentation from the 90s, this circuit uses a GASFET of the time. The circuit is...
This circuit generates pulses when the light beam incident on the phototransistor is interrupted. The...