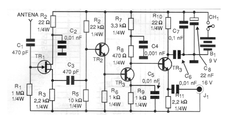
This booster for listening to signals in the range from medium waves to 30 MHz was found in a 1998 documentation. The circuit is powered by a 9 V battery or source and must be mounted in a shielded box. The circuit is of the aperiodic type, that is, without tuning.




