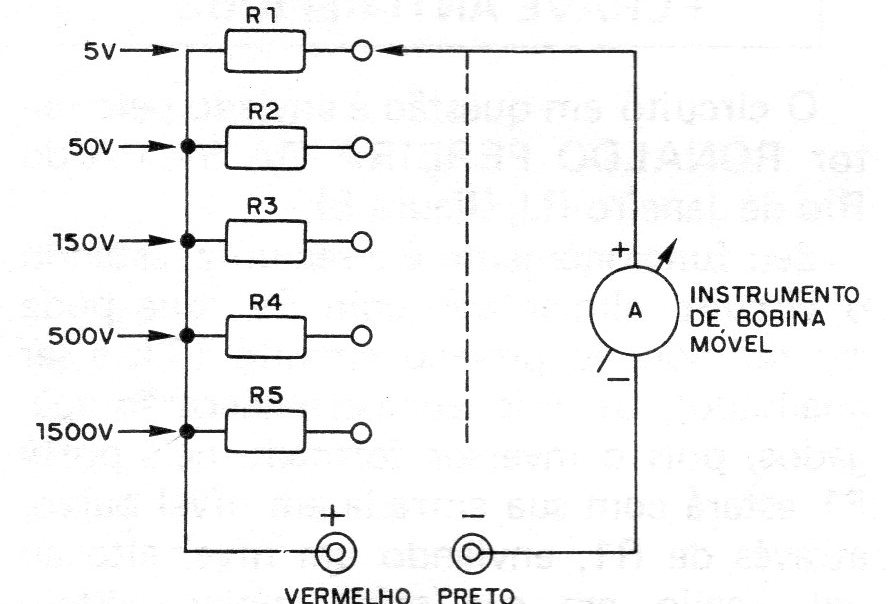
This project is especially aimed at beginners of electronics who do not yet have a test instrument on their bench. It was found in a 1982 publication. As readers can see, 5 resistors are used to determine the bottom of each voltage scale and a moving coil instrument. The mobile coil instrument can be a standard 50 uA VU or a better quality and larger instrument such as a 0-10 mA milliammeter. The selector switch allows you to choose which scale is being used, and the different colored terminals for the test leads are necessary so that the polarity in the measurement is obeyed (Figure 1). Figure 2 gives us how to change the scale of the instrument used and the table for the resistance values in the two cases of suggested instruments.





