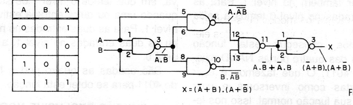
The Exclusive-NOR function can be achieved simply by adding one more NAND gate as an inverter to the previous circuit (CB16069E). However, we are left with 5 gates for the circuit, which means that we cannot simply use 1 integrated for this simulation. The truth table, next to the diagram, shows us that we get 0 at the output when either entry is 1.




