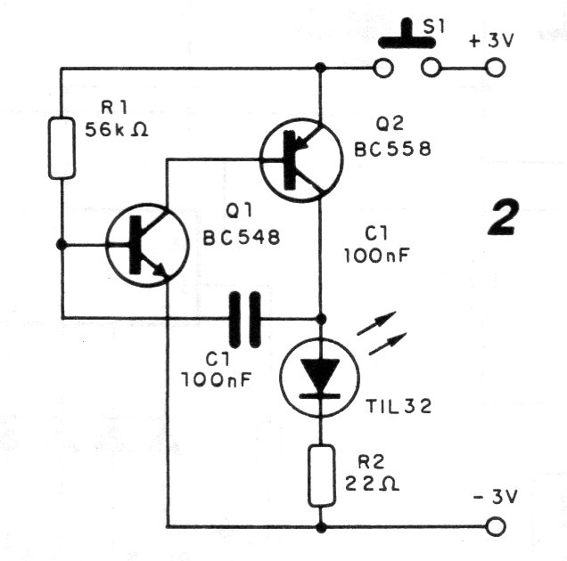
This 1992 circuit was designed to operate with the CB16766E circuit auto alarm. The circuit consists of an oscillator that applies the signal to an emitting LED to transmit a tone that is recognized by the alarm and disarms it. The circuit uses common transistors and can be powered by batteries.




