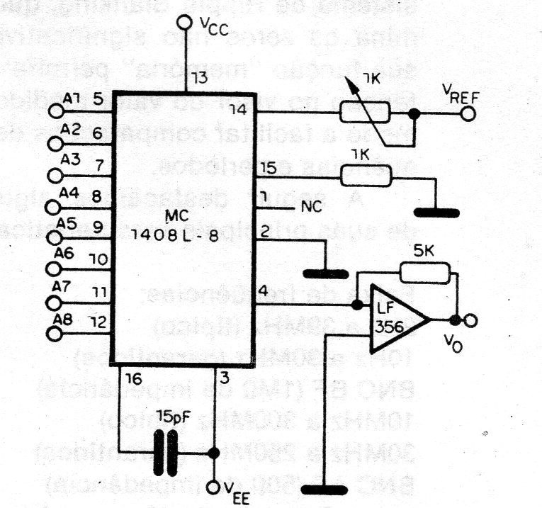
This digital / analog converter shield is suggested by MOTOROLA and is based on an operational amplifier with field effect transistor at the input. The potentiometer R14 must be adjusted in such a way that, depending on the reference voltage and with all inputs at the HI level, a voltage of 9.961V must be present at the operational output. This considers a Ro value of 5k and a reference voltage of 2V.




