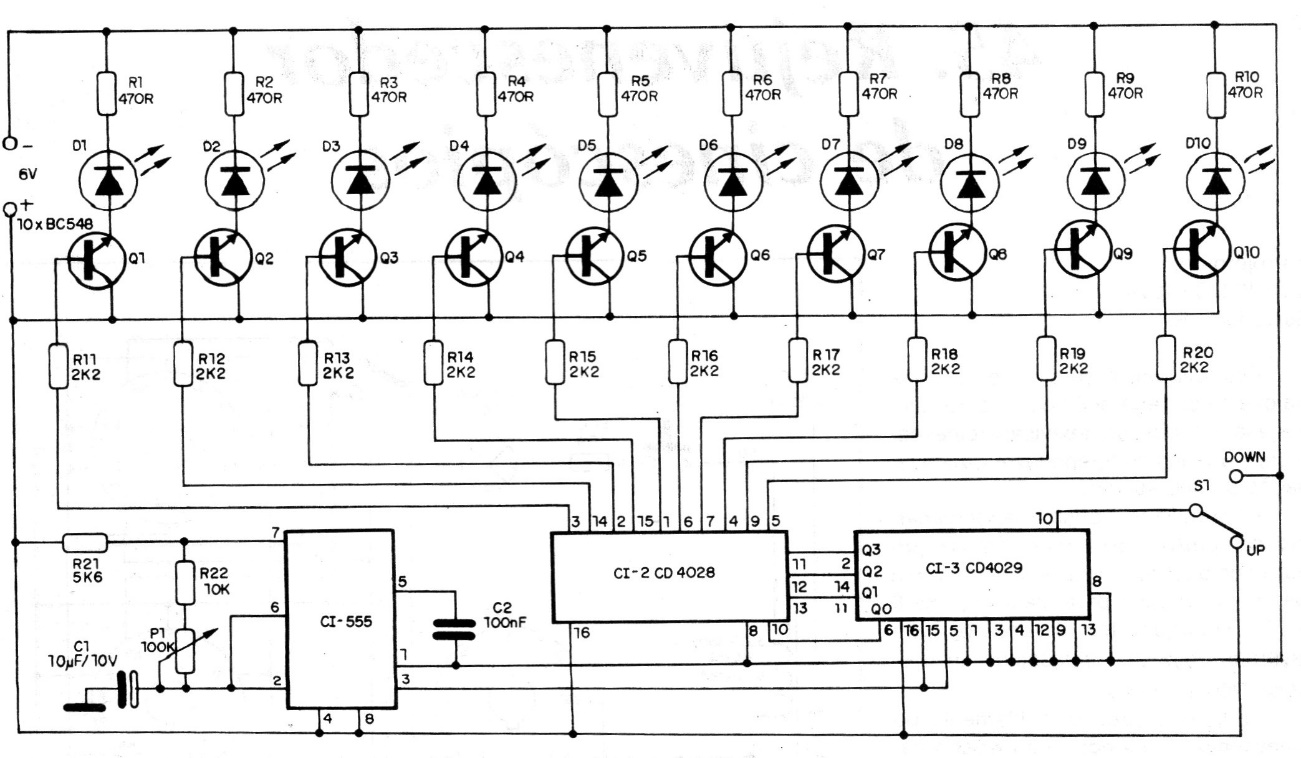
We found this circuit in a 1990 documentation. It is totally up to date by the components it uses and powers LEDs. However, power steps can be added to excite incandescent lamps with SCRs or Triacs. The effect speed is set at P1.
We found this circuit in a 1990 documentation. It is totally up to date by the components it uses and powers LEDs. However, power steps can be added to excite incandescent lamps with SCRs or Triacs. The effect speed is set at P1.