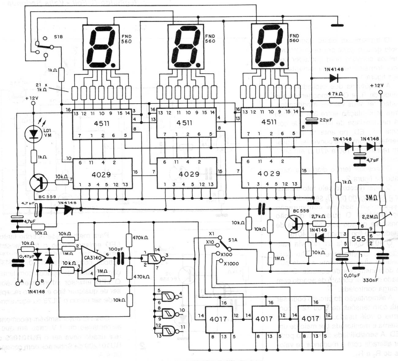
This CMOS frequency meter can measure frequencies up to about 1 MHz with a 3-digit resolution. The circuit is from 1995 documentation and is powered by a 12 V voltage. The calibration is done by a trimpot next to the time base. The circuit includes an amplifier and reaper stage that allows the measurement of signals of any waveform. The displays used are of the common 7-segment LED type cathode.




