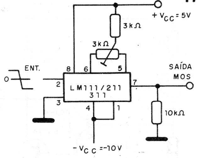
This circuit is from 1992 documentation. The operational circuit, which is uncommon nowadays, can be replaced by an equivalent one. The power comes from a symmetrical source with values indicated in the diagram. The adjustment of the crossing point is made in the trimpot.




