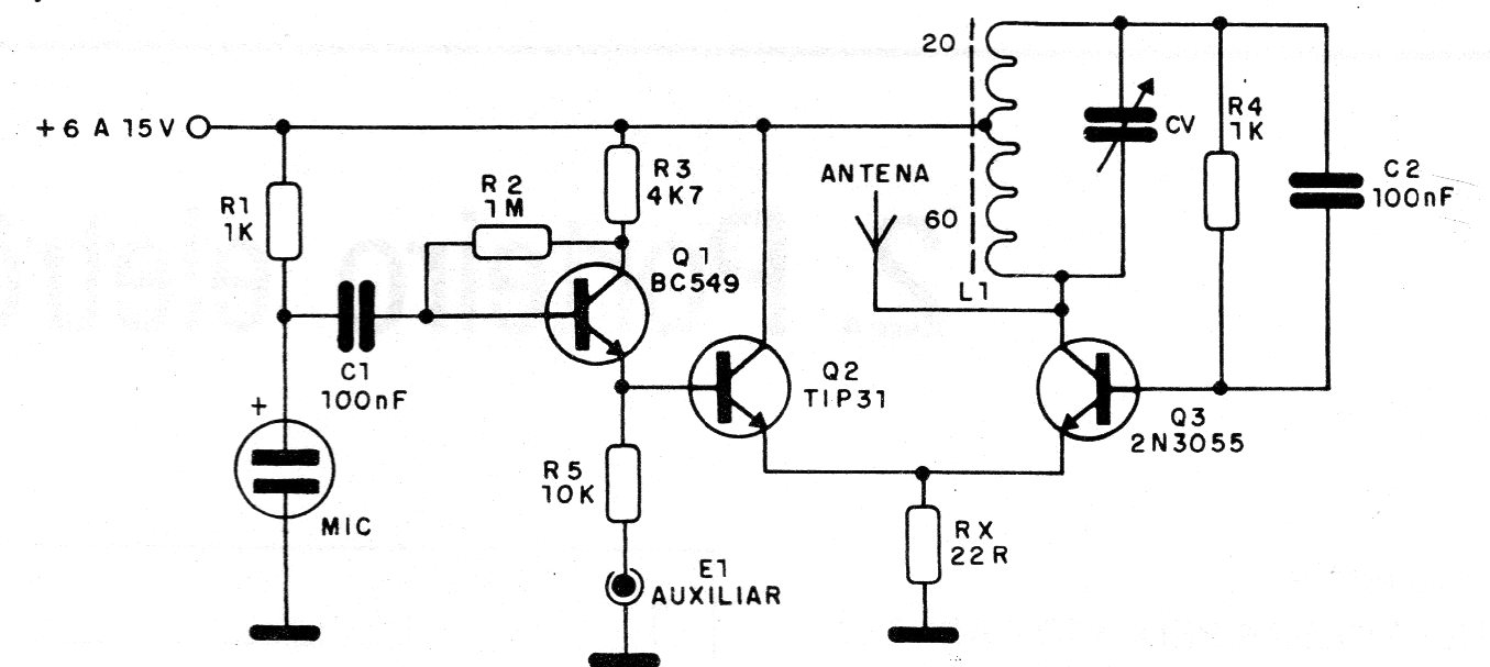
This small transmitter that we found in a 1988 documentation, has a range that depends on the antenna and the sensitivity of the receiver. The circuit is powered by a 6 to 12 V source and the coil consists of 20 + 60 turns of wire 28 in a ferrite rod and tuning is done by AM radio variable. The modulation comes from an electret microphone. The power transistor must be equipped with a heat sink.




