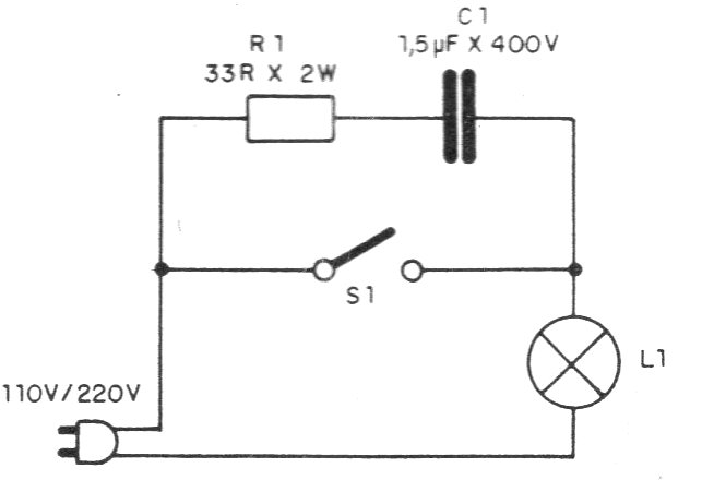
This simple circuit helps to save incandescent lamps by leaving their filament slightly heated and thus avoiding the impact of the total current establishment. Evidently, this circuit is no longer applicable today, as these lamps are hardly used anymore.




