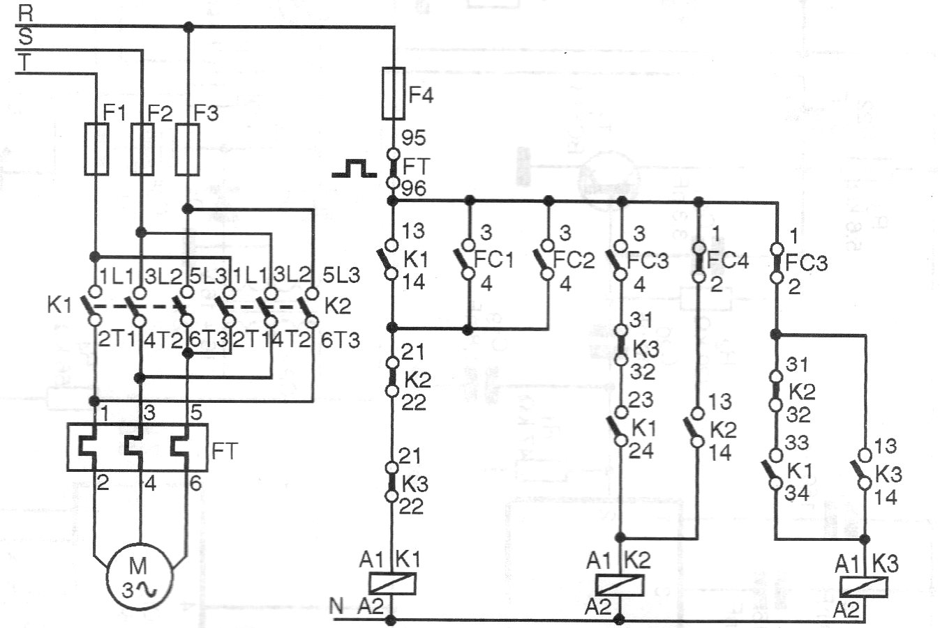
This circuit is from 1998 documentation. It is a system that allows automatic doors to be operated without delay. The circuit is installed considering the presence of the limit switches for 3-pole motors, as shown in the figure.
This circuit is from 1998 documentation. It is a system that allows automatic doors to be operated without delay. The circuit is installed considering the presence of the limit switches for 3-pole motors, as shown in the figure.