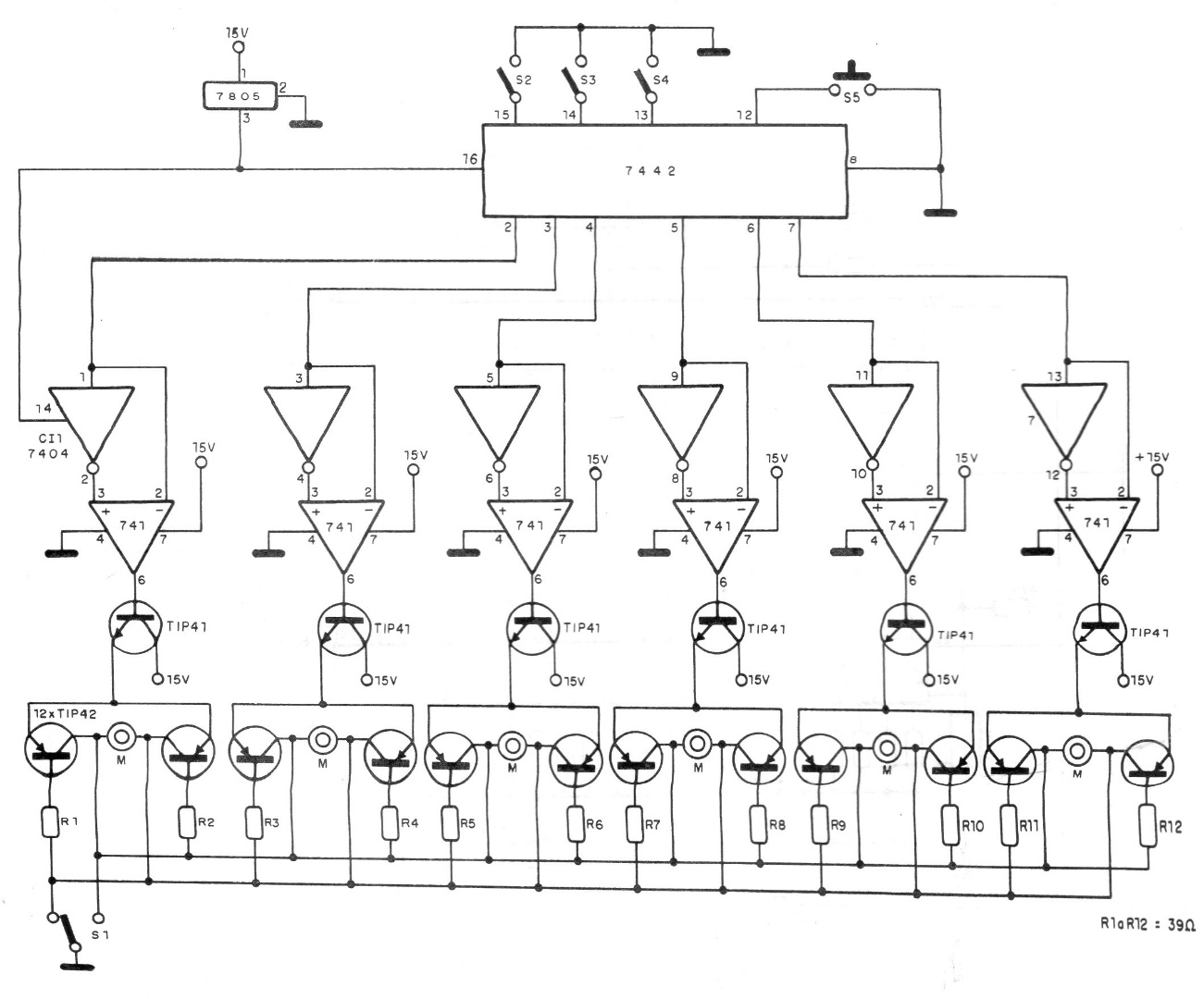
This circuit is from 1994 documentation. It consists of a control for several DC motors that are part of a robotic or mechanical arm. The circuit can also function as a shield being controlled by a microcontroller. The supply voltage is 5 V as the circuit uses TTL components.




