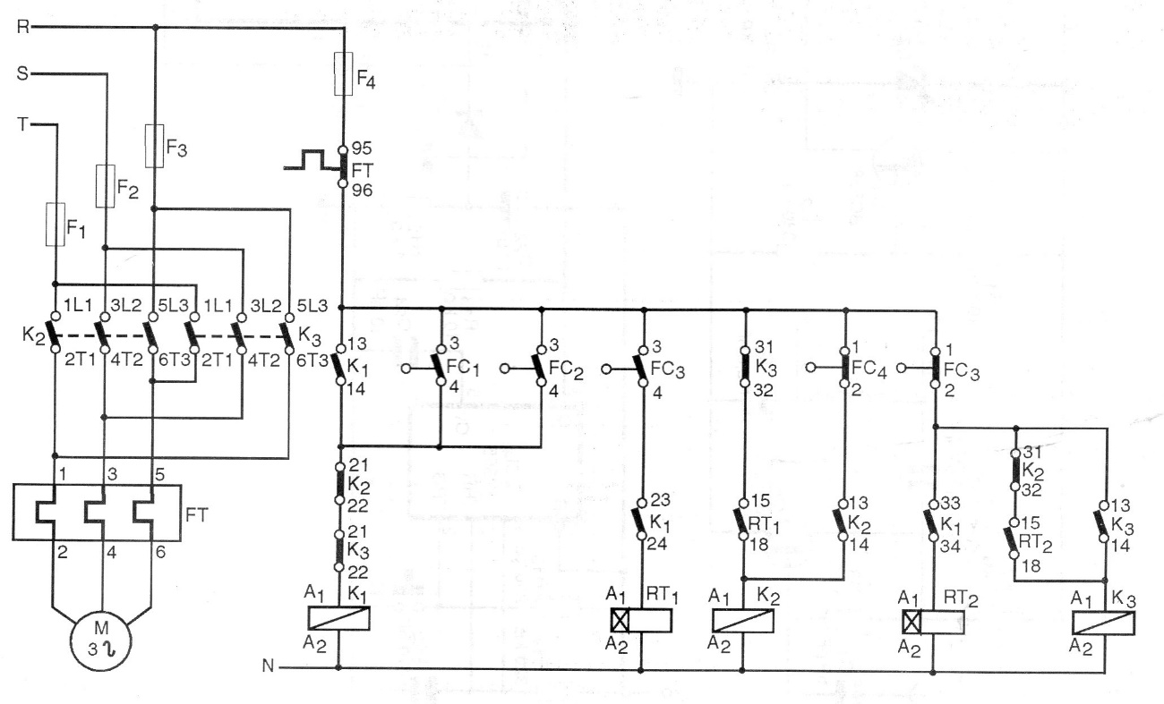
We found this control circuit for three-phase motors used in the control of doors and gates in a technical documentation from 1997. The circuit makes use of contactors and limit switches, in addition to other elements common in electrical applications. In this circuit FC means limit switch and RT timer.




