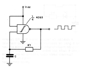
In the circuit of the figure, we have an application different from 4093. The astable multivibrator in question has a frequency that is given by the time constant RC. The upper frequency limit is given only by the characteristics of the integrated CMOS. around 5MHz. The minimum frequency is given only by the existence of any leaks in the used capacitor, which, certainly, must be electrolytic. The output signal of this circuit is rectangular.




