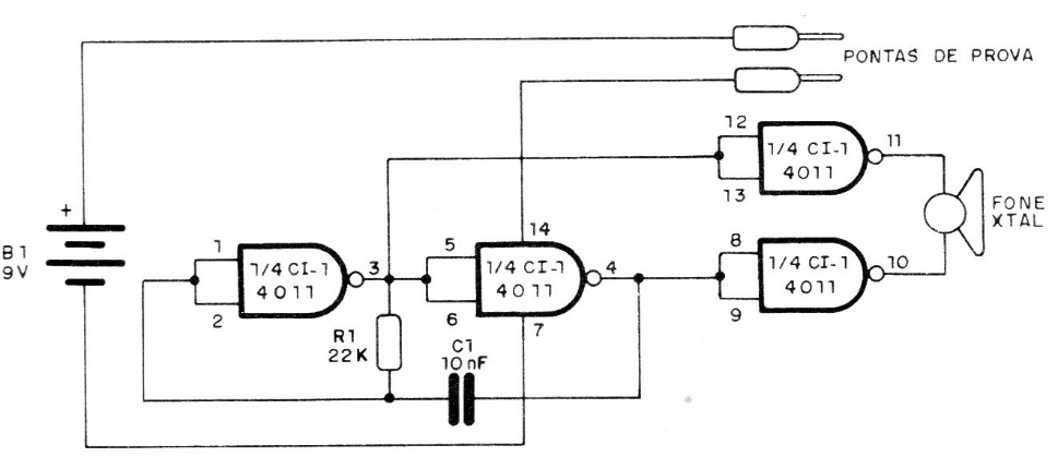
This circuit found in a 1988 documentation, uses a piezoelectric or crystal capsule as a transducer. The power, in fact, can be done with voltages of 3 to 9 V and the frequency of the produced tone depends on the capacitor. This component can be changed in a large band of values.
.




