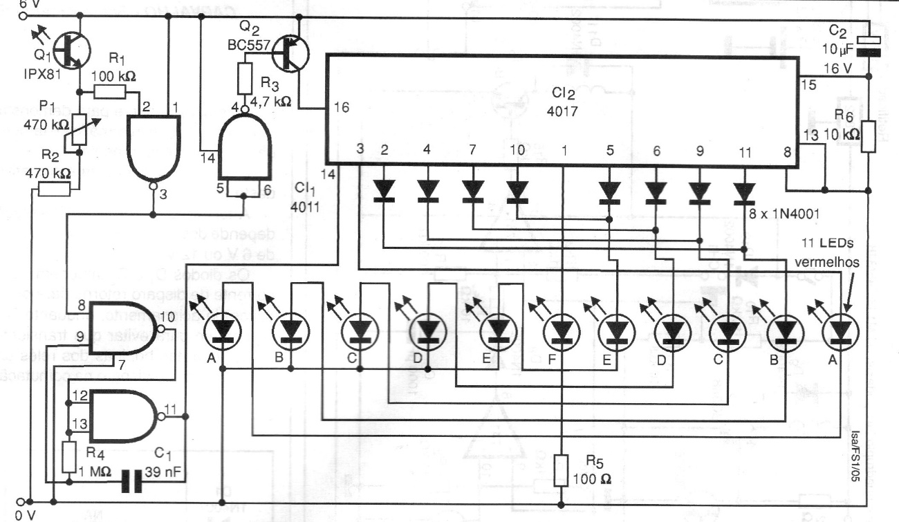
Two rows of LEDs run in opposite directions when light strikes the sensor. This circuit was found in a 1998 documentation and can be supplied with voltages from 6 to 9 V. Power steps can be added to drive higher power loads. The adjustment of the trigger sensitivity is made in P1.




