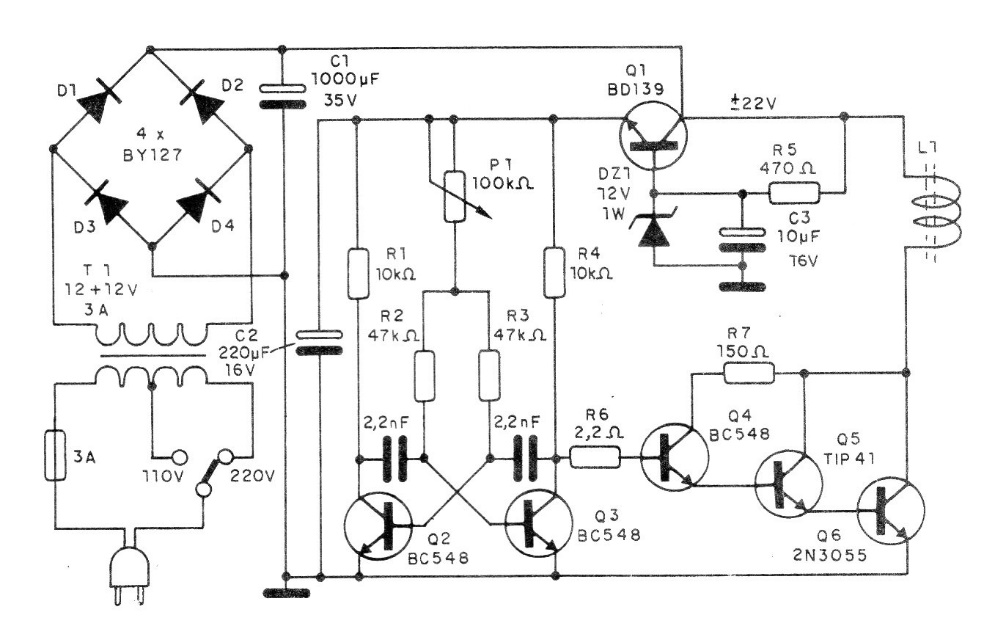
Horizontal output or flyback transformers are no longer used today, as they only appeared on equipment with kinescopes to generate high voltage. However, if the reader wants to try one for an experimental high voltage assembly, he can use this circuit found in a 1992 documentation. The coil must be connected with 5 or 6 turns on the exposed part of the core. When the circuit is activated, there must be the production of high voltage. The 2N3055 must have a heat sink.




