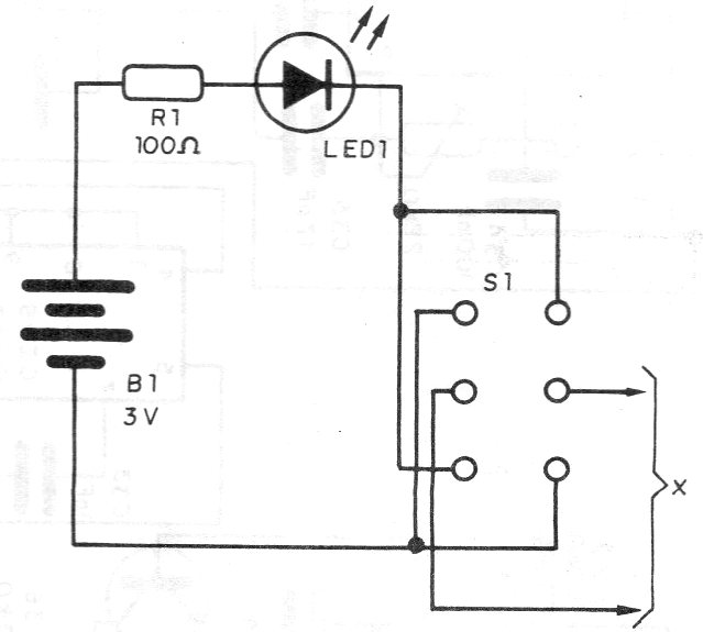
The circuit shown consists of a simple tester for general purpose silicon or germanium diodes and rectifiers. The test voltage can come from 2 or 4 batteries and the indication is given by an LED.

The circuit shown consists of a simple tester for general purpose silicon or germanium diodes and rectifiers. The test voltage can come from 2 or 4 batteries and the indication is given by an LED.
