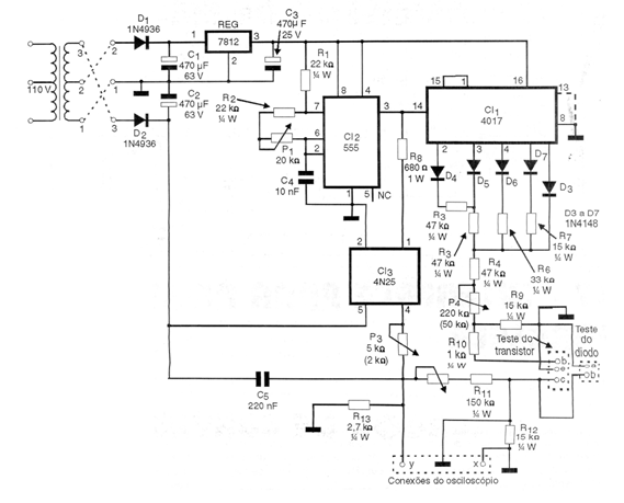
This interesting circuit, found in a 1997 documentation, allows you to view the characteristic curves of various components, such as diodes, transistors, etc., in a common oscilloscope. The power transformer has a 12 + 12 V secondary with at least 250 mA. A switch allows you to select the type of device being analyzed, whether diode or transistor. All the components used in this project are still common today.




