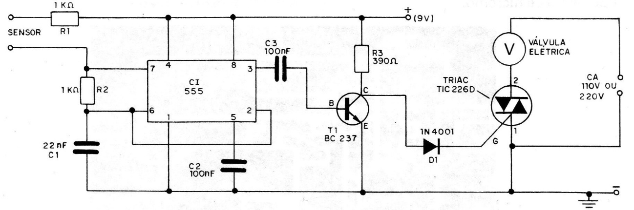
This interesting idea was found in a 1983 publication and is very simple to analyze, according to the diagram in the figure. The sensor is placed in contact with the soil where the plants are to be kept well moist. If the soil is moist, the oscillator, which is based on integrated circuit 555, will remain activated and, consequently, through the BC237 transistor, it will inhibit the triac trigger. With the increase in resistance between the electrodes in view of the drying of the soil, the oscillator at a certain moment will cease to function and with that a trip voltage will reach the triac.




