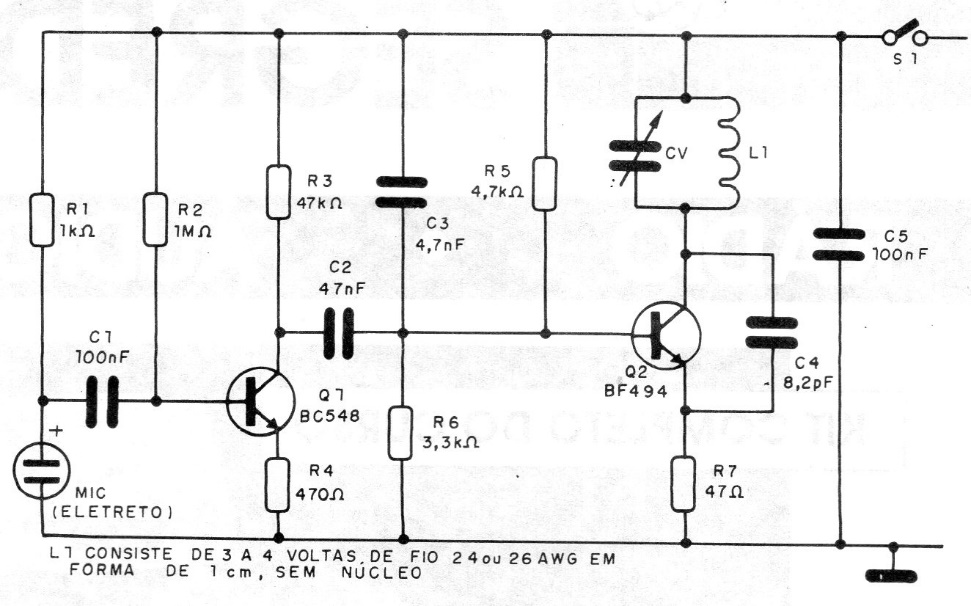
This type of circuit, even with the same configuration, appears several times on this site. The presented version can be powered by 3 to 9 V voltages from batteries and has a range of around 50 meters. The coil consists of 4 turns of wire 24 to 28 in the form of 1 cm without core.




