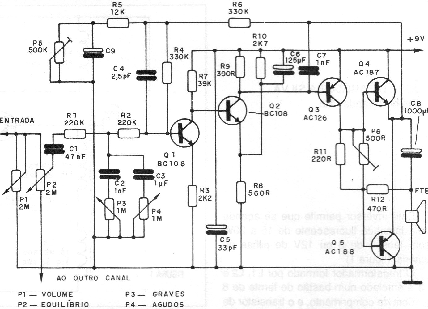
This amplifier of approximately 6 W uses complementary transistors at the output, which must be equipped with heat sinks. The circuit is from 1987 documentation and must be powered by a voltage of 9 V. The current of the source must be at least 1 A. The circuit includes tone controls. In the original version P1 is for volume and P2 for balance. The output pair can be replaced by BD135 and BD136.




