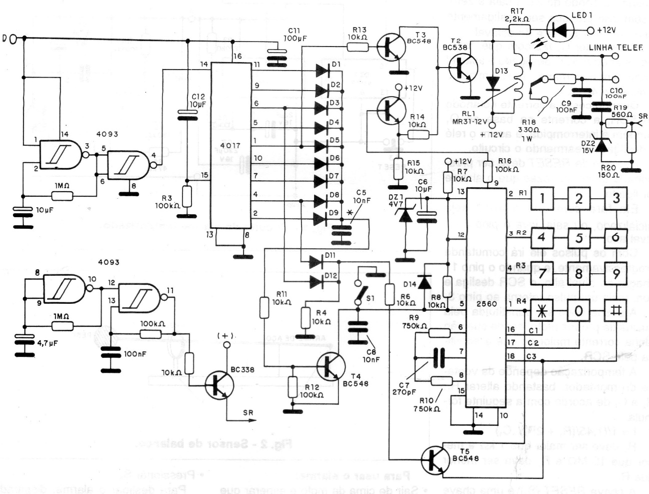
key. Enter the second number and release S1. The circuit must always be powered by 12 V except point D, which should only receive 12 V when activated.
key. Enter the second number and release S1. The circuit must always be powered by 12 V except point D, which should only receive 12 V when activated.

 

 


| Clique na imagem para ampliar |