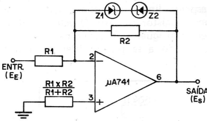
This trimmer or reaper amplifier cuts the signal peaks at a voltage determined by the zener diodes. The gain is given by R1 and R1 and the power supply must be symmetrical from 5 to 15 V.
Motors of up to 3 or 4 A can be controlled with this PWM circuit. The circuit can be used with 5 to...
This is another one of the many sequential circuits that we have in this section and on the...
This signal conditioner humidity sensor was found in a 1980s Linear Technology documentation. The circuit...