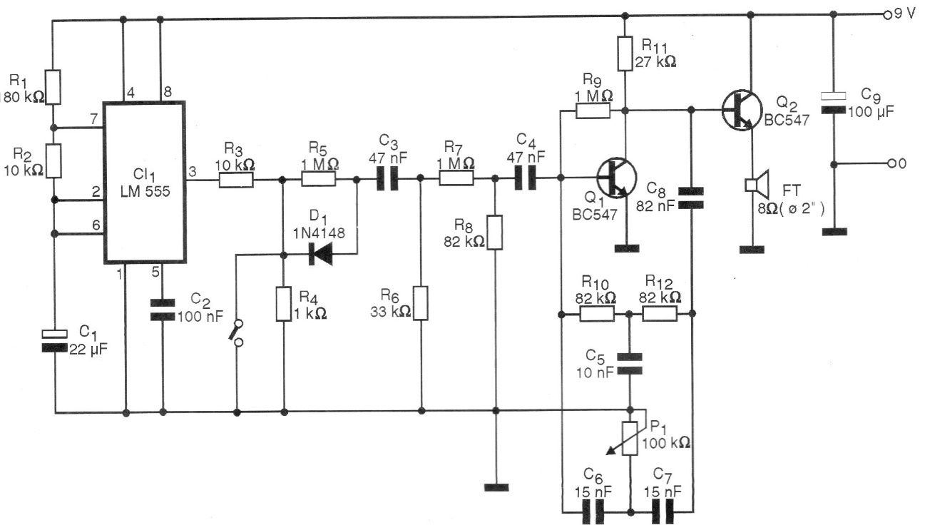
This circuit from a 1998 publication can be used as an entry bell, as a calling device or in other applications. The components are common even today, and for greater power an external amplifier can be used. The damping adjustment is done in the trimpot; The power must be supplied by source or batteries.




