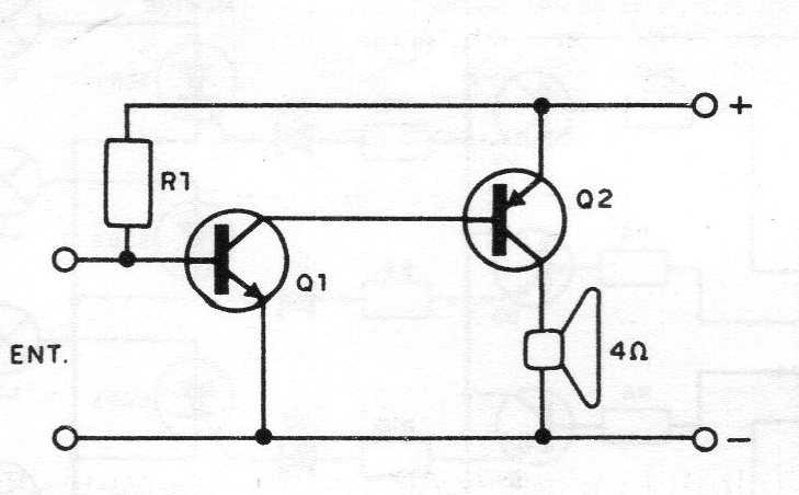
Apart from the speaker, this amplifier uses only 3 components: two transistors and a resistor. Evidently, it is a test amplifier, given its low power, but it can be used as a signal follower, providing an isolation capacitor at the input, or as an output step for crystal radios or simple receivers. The resistor is ¼ W or 1/8 W and can have values between 2M2 and 4M7. The value will be chosen according to the desired gain, depending on the signal level, so that there is no distortion or excess consumption, which will be perceived by the heating of Q2. The speaker can be either 4 or 8 ohms and the power will be between 3 and 6 V. The NPN transistor can be BC549C or any equivalent such as BCS48, BC238 or BC239. The PNP transistor (Q2) can be a BD136, BD138 or BD140. To use as a stage of greater power at the output of an FM radio, for example, with 6 V supply, the resistor can be reduced to 1M, but the consumption will be in the order of 500 mA, which requires the use of a heatsink for Q2.




