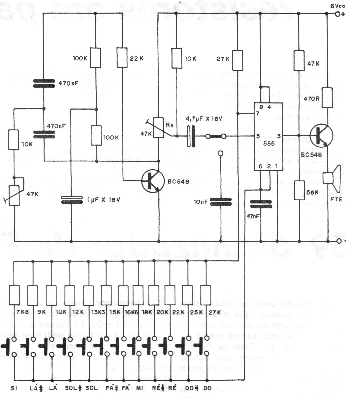
We found this circuit in a 1987 magazine, but the use of still common components allows its assembly even today. The circuit has 12 notes and an amplifier stage for the sounds feeding a small speaker. The tuning depends on the accuracy of the resistors that can eventually be replaced by trimpots. The power can be done by source or batteries.




